Ac Combiner Box
- Type:
- 2,4,6,8,10,12,16,20,24way
- Certification:
- GOLDEN SUN CE
- Voltage:
- 1000V
- Size:
- Clients Requirements
- OEM:
- Yes
- Box Material:
- Cold Rolled Steel
- Product Name:
- PV Array Combiner Box
- Specification:
- Normal
- Transport Package:
- Export Standard Package or According to Customer′s
Description:
IP65 PV 8 strings input 1 output DC combiner box
For large-scale PV grid-connected power generation system, in order to reduce the connection between the PV module and the inverter, and to facilitate maintenance to improve reliability,it generally need to add DC busbar device between the PV module and the inverter. Our company's DC combiner box for solar is designed to meet this requirement and can be designed to a complete PV power generation system solution with PV inverter products. Using PV combiner box, the user can put certain number of same specifications PV modules into series PV module according to input DC voltage range of the inverter, and then a number of series PV modules access to the PV array lightning protection box.It’s convenient to facilitate the post-inverter through the output for lightning protection device and circuit breaker.
The PV array lightning protection box has the following characteristics:
(1) meet the requirements of outdoor installation, protection class IP65, with anti-UV, anti-acid, anti-alkali, moisture, mildew, rodent control and other functions;
(2) access 16-way PV array, each with 15A, 1000Vdc fuse (replaceable other grades);
(3) Equipped with special high-voltage lightning protection device, lightning protection function with cathode and anode ;
(4) Positive, negative string into the fuse;
(5) Use quadruple PV dedicated circuit breaker with positive and negative in series;
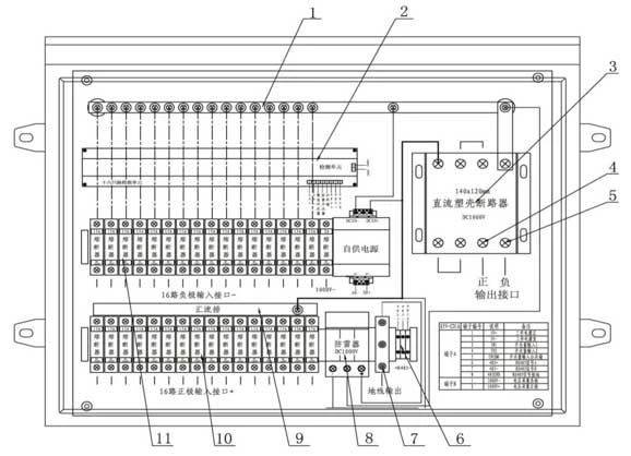
Basic Structure

| Part number | description |
| 1 | Negative convergence copper busbar |
| 2 | 16-way detection unit |
| 3 | DC MCB |
| 4 | Dc positive Convergence output |
| 5 | Dc negative Convergence output |
| 6 | RS485 communication terminal (output point) |
| 7 | Ground output point |
| 8 | Lightning protection device |
| 9 | Positive convergence copper |
| 10 | DC positive fuse holder and fuse (each input in series with a fuse) up to 16 way |
| 11 | DC negative fuse holder and fuse (each input in series with a fuse) up to 16 road |
Figure 1: internal structure of the combiner box
Size
| Specification | Width(A)mm | height(B)mm | depth(C)mm |
| 18 way | 645 | 550 | 205 |
| 14、16 way | 610 | 550 | 205 |
| 10、12 way | 530 | 550 | 205 |
| 6、8 way | 460 | 550 | 205 |
| 2、4 way | 390 | 550 | 205 |
Installation dimension
16 ways combiner box dimension:610mm×500mm×205mm (width×depth×height)
recommended for vertical wall installation

